联系电话:
0523-8733 8088
产品详情
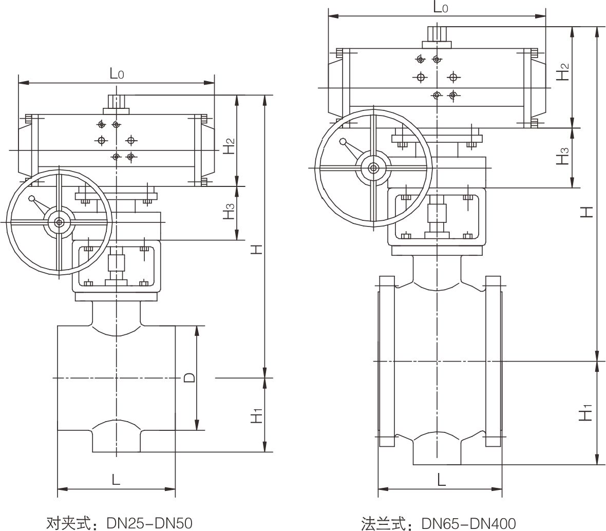
V型偏心球阀(简称偏心球阀)V型球芯与密封圈采用独特的偏心结构,球芯表面进行硬化处理,具有结构紧凑、切断性能好、使用寿命长等特点,兼备调节和切断两种功能。广泛应用于化工、电力、轻纺、食品、医药、造纸等工业工况及市政工程、水厂等管道,对自来水、污水、油类液体或空气、煤气、天然气、水蒸汽等介质进行启闭或调节流量的作用。并得到广大用户的一致好评。


V型偏心球阀(简称偏心球阀)V型球芯与密封圈采用独特的偏心结构,球芯表面进行硬化处理,具有结构紧凑、切断性能好、使用寿命长等特点,兼备调节和切断两种功能。广泛应用于化工、电力、轻纺、食品、医药、造纸等工业工况及市政工程、水厂等管道,对自来水、污水、油类液体或空气、煤气、天然气、水蒸汽等介质进行启闭或调节流量的作用。并得到广大用户的一致好评。



苏公网安备 32128302001489号