Tel
0523-8733 8088
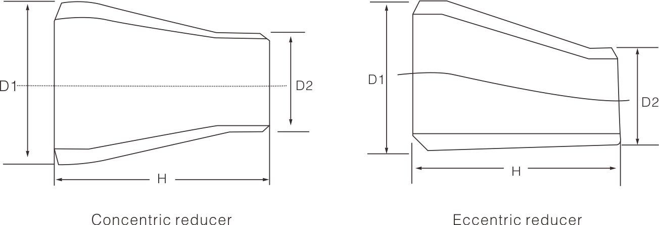
Stainless steel size head also called big small head. Any of several chemical pipe fittings used to connect two different pipe diameters. It is also divided into concentric large and small head and eccentric size head two kinds. Materials include stainless steel size head (304304l316316l), alloy steel, carbon steel size head, size head 20 steel Q235, Q345, etc.






