Tel
0523-8733 8088
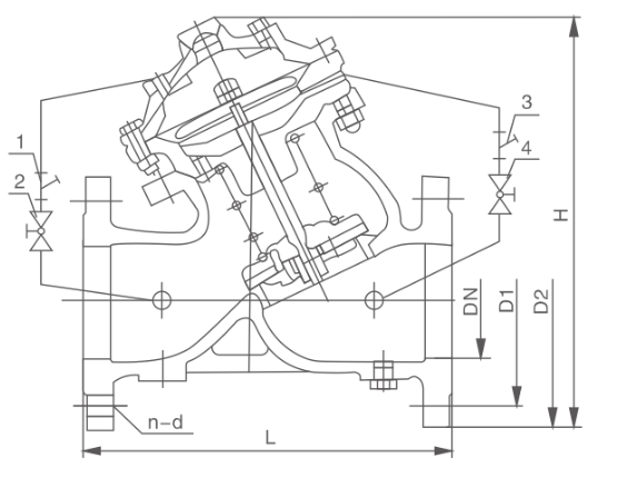
JD745X diaphragm multifunctional water pump control valve is an intelligent valve installed at the outlet of water pumps in high-rise building water supply systems and other water supply systems to prevent media backflow, water hammer, and water hammer phenomena. This valve combines three functions: electric valve, check valve, and water hammer eliminator, which can effectively improve the safety and reliability of the water supply system. And integrate the technical principles of slow opening, fast closing, and slow closing to eliminate water hammer, to prevent the occurrence of water hammer when starting and stopping the pump. Simply operate the water pump motor opening and closing button, and the valve can automatically open and close according to the water pump operating procedures, with high flow rate and low pressure loss. Diaphragm type is suitable for valves with diameters below DN600mm.






