联系电话:
0523-8733 8088
产品详情
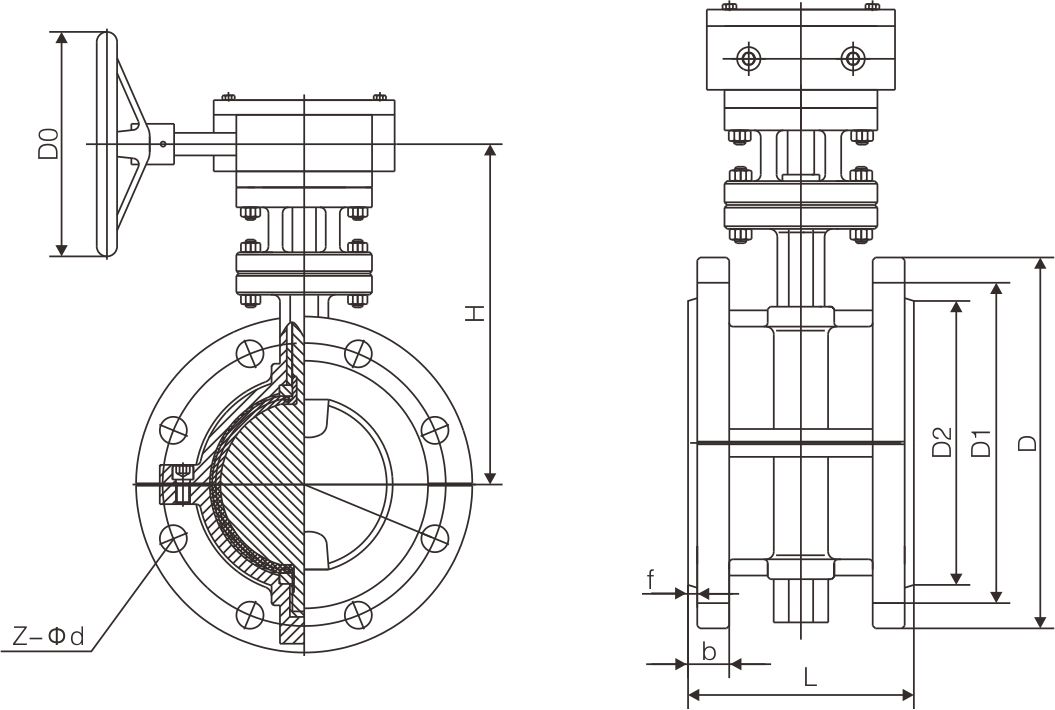
1、设计与制造符合中国国家标准;
2、基本结构形式(蝶板轴与阀体/阀座中心重合);
3、A.D341F4全衬里型阀体全衬里/蝶板全衬层/衬层蝶板与蝶板轴双D配合;
4、B.D341F46全衬里型;
5、C.D341F4(46)/P半衬里型阀体全衬里/蝶板为不锈钢/蝶板与蝶板轴双D配合。


1、设计与制造符合中国国家标准;
2、基本结构形式(蝶板轴与阀体/阀座中心重合);
3、A.D341F4全衬里型阀体全衬里/蝶板全衬层/衬层蝶板与蝶板轴双D配合;
4、B.D341F46全衬里型;
5、C.D341F4(46)/P半衬里型阀体全衬里/蝶板为不锈钢/蝶板与蝶板轴双D配合。



苏公网安备 32128302001489号