当前位置: 首页 > 通用阀门法兰管件 > 法兰系列
带颈平焊法兰
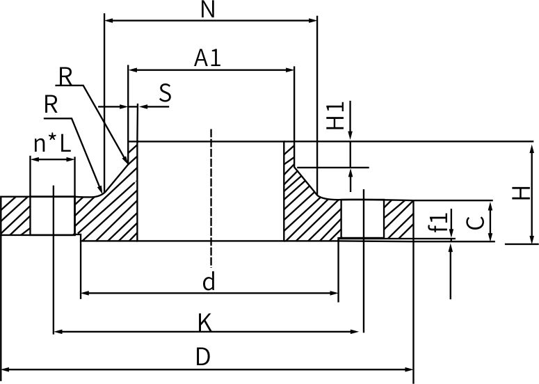
产品概况
公称规格:1/2"~ 80" (10-5000)
压力等级:0.6Mpa~32Mpa(150Lb~2500Lb)
主要材质:201.202.301.302.303.304L.309S.310S.316.316L.317.317L.321.410.420等
标准:国标,美标,日标,德标,意大利标准,化工部标准,机械部标准,压力容器标准
范围应用:锅炉压力容器、石油、化工、造船制药、冶金、机械、食品等行业
不锈钢带颈平焊法兰主要用于管道安装过程中的对接,特别是两个管道口径大小不一样的时候,连接方式是通过焊接来实现的,厚度和压力要求都比较高。
公司简介
企业文化
企业环境
企业荣誉
零泄漏球阀系列
零泄漏蝶阀系列
零泄漏闸阀系列
零泄漏截止阀系列
零泄漏止回阀系列
调节阀系列
开关阀系列
自控阀附件
通用阀系列
衬氟阀门系列
衬氟管道管件系列
蒸汽阀门系列
水利阀系列
法兰系列
管件系列
公司动态
行业资讯
技术知识
苏公网安备 32128302001489号
联系电话: 0523-8733 8088
手机访问