当前位置: 首页 > 通用阀门法兰管件 > 管件系列
不锈钢三通
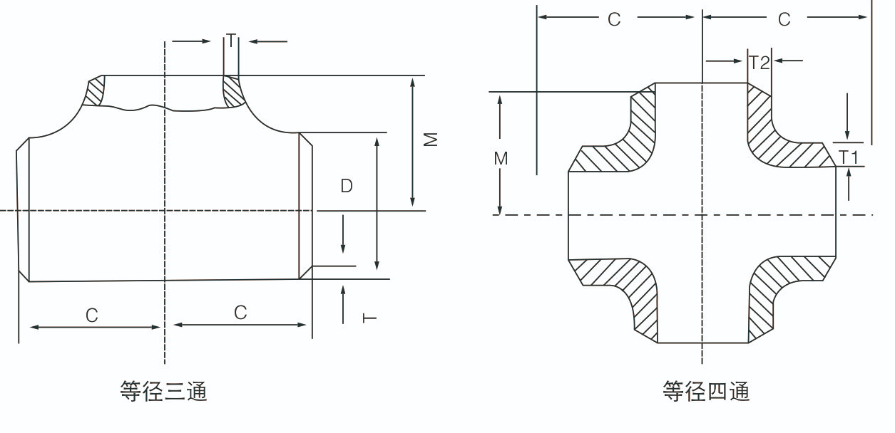
产品概况
成型工艺:1/2“-16”内臌胀冷加工成型;18”-48”热压成型。
尺寸:1/2"-24"(DN15-DN1000)
标准:GB/T12459,GB/T13401,SH3408,SH3409,HG/T21635,HG/T21631,ASMEB16.9,MSSSP-43,DIN2615,JISB2313
壁厚:SCH5S-SCH160
材质:SF2225,SF2205,SF2507,合金钢,碳素钢,低温用钢,304,304L,316L等
三通又称管件三通或三通管件、三通接头等。主要用于改变流体的方向,用于主管支管。它可以按管道尺寸进行分类。一般由碳钢、铸钢、合金钢、不锈钢、铜、铝合金、塑料、氩气、聚氯乙烯等材料制成。
公司简介
企业文化
企业环境
企业荣誉
零泄漏球阀系列
零泄漏蝶阀系列
零泄漏闸阀系列
零泄漏截止阀系列
零泄漏止回阀系列
调节阀系列
开关阀系列
自控阀附件
通用阀系列
衬氟阀门系列
衬氟管道管件系列
蒸汽阀门系列
水利阀系列
法兰系列
管件系列
公司动态
行业资讯
技术知识
苏公网安备 32128302001489号
联系电话: 0523-8733 8088
手机访问