Tel
0523-8733 8088
Galvanized high insulation zero leakage ball valve
Product overview
The zero leakage ball valve is designed by our company as a whole and adopts a new structure to solve the problem of external leakage in the middle of the valve. The sealing design improves the service life of traditional ball valves by 5-10 times, and has advantages such as stable performance, reliable sealing, low friction, light switching, high temperature resistance, wear resistance, corrosion resistance, and long service life.
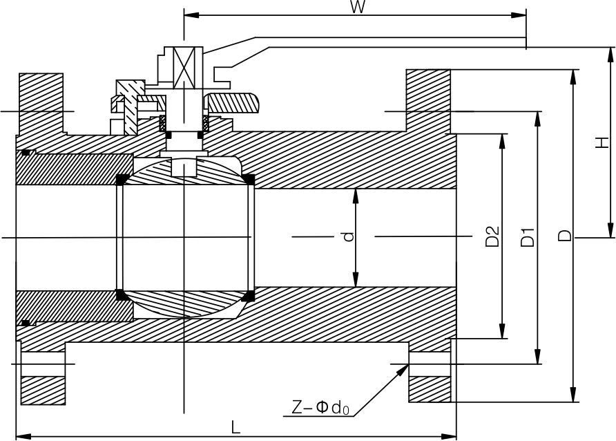
1. The valve is cast as a whole to prevent leakage in the middle. The valve cover is hexagonal, tightly assembled, and equipped with a flange sealing ring to prevent leakage.
2. Fire resistant structure: When a fire occurs, the medium force of the ball along with the valve seat makes the ball tightly contact the metal lip at the channel mouth, achieving a fire resistant hard sealing function.
3. Anti static structure: The stainless steel ball is loaded by a strong spring, ensuring smooth output of static electricity generated by the passage of the ball, valve stem, and shell.
4. Anti valve stem flying out structure: The valve stem is integrated with steps to ensure that the valve stem is not flying out under pressure.
5. The valve stem has a five stage sealing structure: the first stage is an inverted sealing gasket, the second stage is a VITON or perfluorinated O-ring, the third stage is a VITON or perfluorinated O-ring, the fourth stage is a V-shaped PTFE, reinforced seal, flexible graphite, ISO15848 packing seal, and the fifth stage is a disc spring gasket. When the temperature and pressure change instantly, the expansion and pressure value generated at the moment of release can be automatically compensated, thus achieving good sealing effect, Ensure the sealing of the valve stem.
6. There are multiple choices of valve seat materials, such as Japanese Daikin RPTFE, TFM1600, TFM4215, high-temperature resistant KFM, PEEK, low-temperature resistant PCTFE, etc.
7. The valve seat structure is: curved sealing with scraper effect, wider sealing, and more significant sealing effect. Equipped with a pressure relief port, the switch is more lightweight.







