零泄漏蝶阀

产品概况

零泄漏蝶阀采用非摩擦式金属密封件以小的扭矩实现了零泄漏,并且具有固有的防火安全性。标准阀座和密封圈材料是不锈钢,其他材料包括可用的司太立(Stellite)覆盖层。密封环的弹性可确保与阀座的周边均匀密封,无论流动方向如何均可实现完全关闭。采用的是零泄漏原理设计,使密封面的空间运动轨迹达到理想化,密封面相互之间无磨擦、无干涉、加之密封材料选择得当,从而使蝶阀的密封性、耐腐蚀性、耐高温性和耐磨性等得到了可靠的保证。该阀为高温和苛刻应用场合提供了坚固的金属密封圈,以确保在整个压力、温度范围内双向关闭。可安装在温度≤425℃的介质的工业管网上作调节流量和切断介质用。

产品详情

1、结构先进,优化创新设计。

2、密封可调节更换,提高效益、延长寿命。

3、阀门密封副间无滑动摩擦、无卡挤,阻力小,扭矩低,操作启闭轻松。

4、零泄漏结构,开启密封即分离,关闭接触即密封,可真正实现双向密封。

5、轴向定位装置,解决轴向蝶板窜动而引起上下密封面部分压伤、磨损泄漏的难题。

6、适用高温、高压工况,且特别适用要求高密封性能的工况。


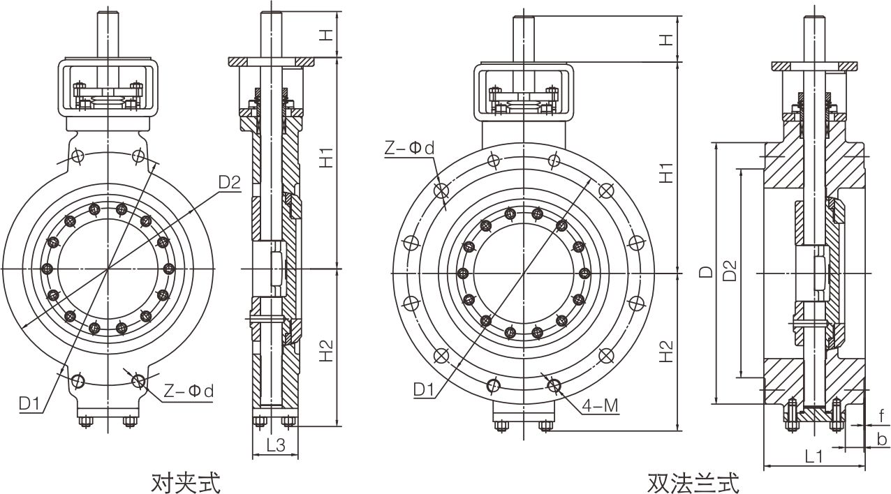
零泄漏蝶阀(图1)


零泄漏高频率超耐磨蝶阀(图1)


    零泄漏蝶阀(图2)


产品推荐