多功能水泵控制阀
发布时间:2023-07-20

技术参数
产品型号:JD745X
公称通径:DN50~600mm
公称压力:PN1.0~4.0MPa
适用温度:0°C~80°C
适用介质:水
JD745X隔膜式多功能水泵控制阀是安装在高层建筑给水系统以及其他给水系统的水泵出口处、防止介质倒流、水锤及水击现象的智能型阀门。该阀兼具电动阀、逆止阀和水锤消除器三种功能,可有效地提高供水系统的安全可靠性。并将缓开、速闭、缓闭消除水锤的技术原理一体化,防止开泵水锤和停泵水锤的产生。只需操作水泵电机启闭按扭,阀门即可按照水泵操作规程自动实现启闭,流量大、压力损失小。

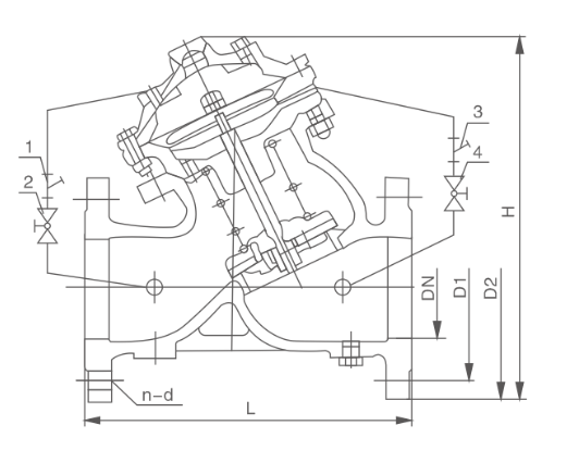
主要外形尺寸
DN | 50 | 65 | 80 | 100 | 125 | 150 | 200 | 250 | 300 | 350 | 400 | 450 | 500 | 600 |
L | 203 | 216 | 250 | 320 | 365 | 415 | 500 | 605 | 698 | 787 | 914 | 978 | 978 | 1150 |
H | 293 | 328 | 364 | 418 | 481 | 543 | 673 | 729 | 927 | 957 | 1188 | 1218 | 1256 | 1600 |








